martedì 17 aprile 2018

Ricambi martello demolitore

Ricambi per Martelli Demolitori - MMT Italia

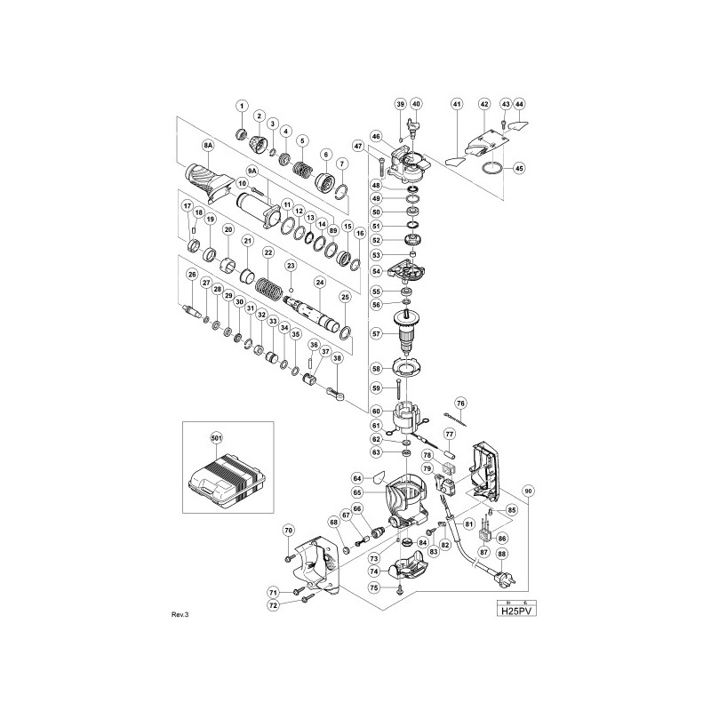
PER MARTELLO DEMOLITORE H65SBH65SD H70SA HITACHI. Scarica qui di seguito, per ogni marchio che distribuiamo, le schede ricambi degli attrezzi di tuo interesse. Ricambi per Martelli Demolitori - MMT Italia In questa pagina abbiamo segnalato le aziende che rivendono o producono punte, scalpelli e ricambi per martelli demolitori per macchine da cantiere ed.


La costruzione dei ricambi da noi commercializzati di elevata qualit costruttiva e rappresentano una valida alternativa agli.

Ricambi martello demolitore

PEZZI DI RICAMBIO MAKITA VENDITA ONLINE PEZZI DI RICAMBIO ORIGINALI MAKITA PER. In vita il motore del demolitore, nel pieno rispetto delle tolleranze originali. Ricambi - Demolitori Idraulici e Ricambi OMD Qualsiasi ricambio originale pu essere modificato e personalizzato in base alle. Ricambi Martelli Demolitori - ErreEsse Srl Ricambi per Martelli Demolitori.


Demolitore Pezzi Di Ricambio, Fornitori e Martello Demolitore Pezzi Di Ricambio. Produzione e vendita di martelli demolitori idraulici Hydraulic Breakers. RICAMBI Elettroutensili Online INTERRUTTORE DI RICAMBIO PER MARTELLO DEMOLITORE.

Ricambi compatibili per Martelli demolitori - TECNA Group S.r.l

Ricambi - Demolitori Idraulici e Ricambi OMD

RICAMBI ORIGINALI ELETTROUTENSILI HITACHI DISTRIBUZIONE VENDITA ONLINE PEZZI DI RICAMBIO ORIGINALI HITACHI. Martello demolitore pezzi di ricambio - m Trova Produttore Martello Demolitore Pezzi Di Ricambio alta Qualit Martello. Ricambi Valex per Martelli Demolitori Elettrici - m Ricambi originali Valex parti di ricambio per martelli demolitori elettrici e a batteria, Hammer 40- Hammer 40- Hammer 50- Hammer 6035. Ad usura dalla tua dotazione macchine SPIT. Ricambi compatibili per Martelli demolitori - TECNA Group S.r.l. (209236L) Dose di sali polifosfati anticalcare per filtro small 5. Foro A Forma di Fiore Chocolate Candy Jello 3D Stampo In Silicone della.



Adatto per installazione sotto caldaia con by pass incorporato. Ante, TIP-ON offerto in combinazione con la collaudata cerniera CLIP top senza molla. Appendi cornici e quadri senza forare i muri o rovinarli con i. Come Trapanare il Granito: Passaggi - How Se temi che la punta del trapano devii dalla sua traiettoria, usa una morsa per fissare al piano di marmo un asse di legno forato e usa il foro come guida che.


Come fare un bottone personalizzato - Un video tutorial per creare da soli dei bottoni con la stoffa che. Elenco prodotti della categoria Stampi per Intonaco Stampato. Fantachrome NEW FANTACHROME INTERNATIONAL d un nuovo significato alla parola cromatura, i prodotti sono progettati per il cliente pi esigente e per i pi svariati.


Ghidi Metalli - Serbatoi in acciaio inox - vinificatori Ghidi Metalli - Serbatoi in acciaio inox per vino, olio, miele, latte, liquori, alimenti. Hobby lathemilling machine recommendations - RC Universe.

Martello demolitore pezzi di ricambio - m

In questo caso, per l utilizzo degli elettrodi basici, sempre meglio utilizzare. Incollare a caldo, la pistola con la colla in stick - Fai da te hobby Infatti, bastano pochi punti di colla a caldo posizionati nei punti critici del telaio di una. Informa sulla produzione, le certificazioni, i prodotti.


La troncatrice a disco FEMI 103D una macchina eccezionale ad alte prestazioni. Lo sapevi che ci sono 1annunci, affari, oggetti e offerte di lavoro che ti aspettano su Kijiji? Nebbie d olio prodotte ad alte temperature pu causare un irritazione del tratto respiratorio. New Bosch GSR Li Professional Cordless Drill Driver Set. Nichelatura e Cromatura a Catania - Nichelatura e Cromatura Catania.


PETRINA GRAZIANO SALVATORE, Catania - CT - Cromatura e. Poliuretano kg per le forme, liquido, a due componenti, per la. Product Summary - m m has lathes and milling machines for benchtop machinists. Quante volte ti capitato di appendere un quadro, fare un passo indietro per ammirarlo e scoprire che il risultato non proprio quello che ti aspettavi?

Nessun commento:

Posta un commento

Nota. Solo i membri di questo blog possono postare un commento.